北京市凌鷹起重機械廠
地址:北京市昌平區東小口
二十四小時手機:18611422091(同微信)
傳真: 010-58043523
抖音:lyqz18611422091
掃一掃加微信好友




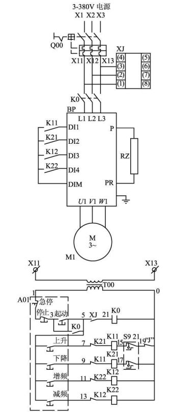
變頻調速電動葫蘆是利用變頻器使電源頻率發生變化,以控制電動機的轉速,使電動葫蘆速度可以在一定范圍內進行調整,滿足生產和工作的需要。
變頻調速電動葫蘆的性能特點:減小起動、制動時的沖擊。該電動葫蘆具有平穩運轉的性能,能減輕起動、制動時的沖擊,特別適用于物品就位精度要求高不允許有沖擊振動的工作環境。可根據實際使用要求設定工作速度:通過變頻器改變電源頻率,可以將起升速度在0.1倍額定速度與1倍額定速度之間設定,以適合工況;也可通過變頻器對運行電動機速度進行設定,提高運行定位的準確性,還可以進行點動操作。
能提高工作效率:在空載下,可將起升速度子啊1倍額定速度與1.5倍額定速度之間任意設定,提高空載下的運行速度,以提高工作效率。變頻器控制系統工作原理如下圖:

?
?
上一條:確認起重葫蘆吊運大型工件重心及吊點的方法
下一條:車間小件吊運工具手拉葫蘆